DZB-14B帶保持中間繼電器應用范圍
DZB-14B帶保持中間繼電器用于直流操作的各種保護和自動控制線路中 ,作為輔助繼電器以增加觸點數量和觸點容量。
DZB-14BG帶保持中間繼電器是DZB-14B的改進型。該繼電器克服了原來DZB-14B繼電器采用的繞組線徑為0.06~0.07委包線。在長期運輸中,出現的斷線缺點,提高了可靠性。其余內部接線、外形尺寸、 接線端子、使用功能等不變。
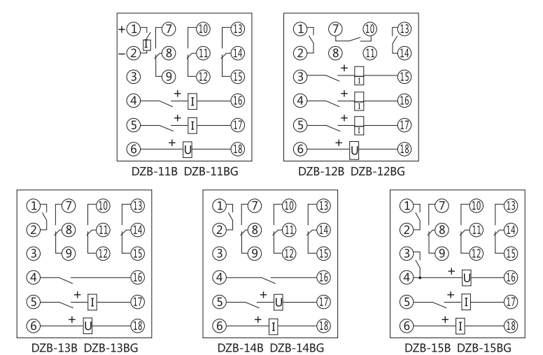
DZB-11B、12B、13B為電壓啟動,電流保持的中間繼電器; DZB-14B為電流啟動、電壓保持的中間繼電器; DZB-15B為電流或電壓工作、電流保持或電壓保持的中間繼電器。
DZB-14B帶保持中間繼電器主要技術參數
額定電壓:DC 220V、110V、48V、24V。
額定電流:0.25A、 0.5A、lA、2A、4A、8A。
動作值:動作電壓為額定電壓值的30~70% ;動作電流不大于80%的額定電流。
保持值: 保持電壓不大于70%額定電壓; 保持電流不大于80%額定電流。
返回值:不小于額定值的5%。
動作時間:在額定電壓下,動作時間不大于50ms。
返回時間:不大于60ms。
功率消耗:不大于7W。
觸點容量:在電壓不超過250V,電流不超過5A,時間常數為5±0.75ms的直流有感負荷電路中,產品輸出觸點的斷開容量為50W。輸出觸點在上述規定的負荷條件下,產品能可靠動作及返回5x104次。 輸出觸電長期允許接通電流為5A。
DZB-14B帶保持中間繼電器內部接線圖及外引接線圖(正視圖)

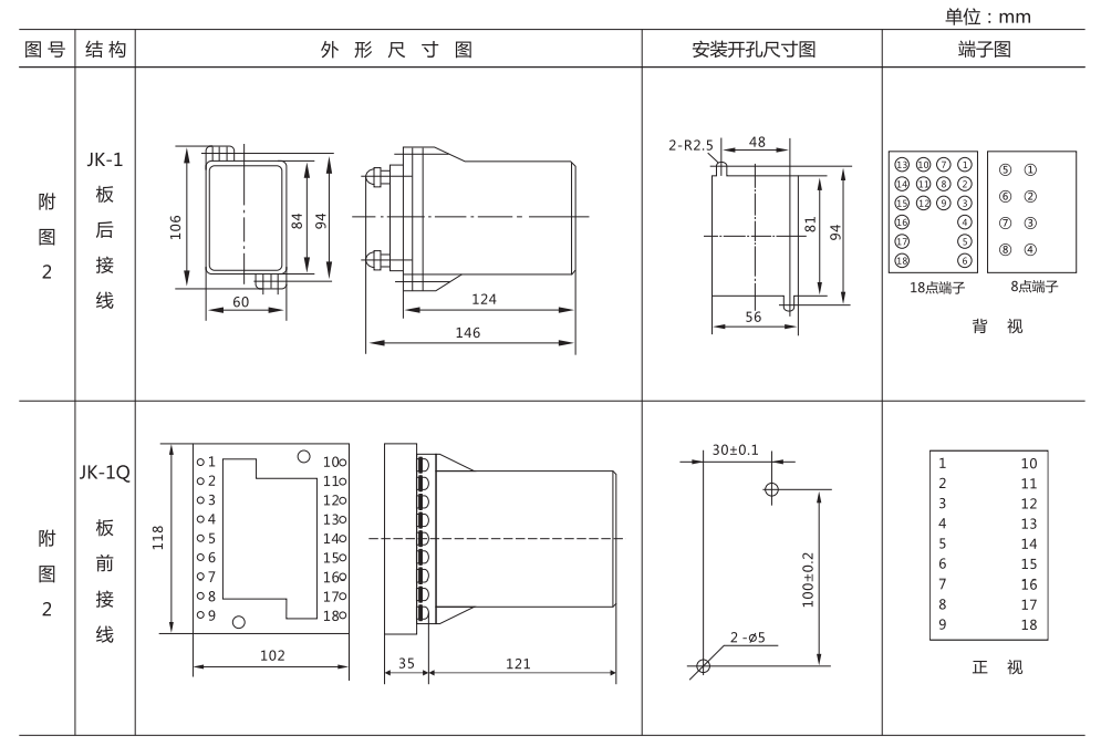
DZB-14B帶保持中間繼電器外形及開孔尺寸



中間繼電器系列
打印當前頁
發郵件給我們: 1932551438@qq.com
手機: 18930817953




